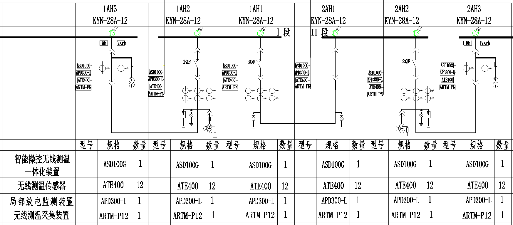
適用于中置柜/手車柜/固定柜/環網柜等多種開關柜;
一次動態模擬圖指示;
高壓帶電顯示及核相;
自動溫濕度控制;
加熱回路故障告警;
RS485通訊接口




| 項目 | 指標 | |
| ASD100G | ||
| 準確度 | 環境溫度 | ±1℃ |
| 相對濕度 | ±3% | |
| 裝置工作電源 | AC 85~265V,DC 100~300V | |
| 功耗 | 輔助電源 | ≤5VA |
| 通訊 | 協議 | MODBUS-RTU |
| 波特率(bps) | 2400、4800、9600、19200 | |
| 環境要求 | 工作溫度 | -10℃~55℃ |
| 相對濕度 | ≤95% | |
| 平均無故障工作時間 | ≥50000小時 | |


| 命名 | 類型 | 尺寸 | 時間 |
| 說明書 | 說明書 | 6.5MB | 2025.1.14 |
| 選型及報價 | 樣冊 | 1MB | 2025.8 |
| CE | 報告 | 87KB | 2024.11.7 |
| ASD100G修改通信地址 | 視頻 | 2.8MB | 2023.2 |